Transceptor SFP DWDM de 1,25 Gb/s y 80 km

Transceptor SFP DWDM de 1,25 Gb/s y 80 km

Aplicaciones:

  • Canal de fibra de 1G
  • Redes DWDM
  • Canal de fibra
  • Detalle del producto

Transceptor SFP DWDM de 1,25 Gb/s y 80 km

Conexión en caliente, LC dúplex, +3,3 V, 100 GHz, DWDM, DFB y PIN refrigerados, modo único

1.25Gb/s 80km DWDM SFP Transceiver

Características:

  • Conexión en caliente
  • Conector LC dúplex
  • Velocidad de datos de hasta 2,67 Gb/s
  • Red ITU de 100 GHz, banda C
  • Emisor DFB REFRIGERADO DWDM, fotodetector PINTIA
  • Enlaces SMF de hasta 80 km
  • Interfaz de 2 hilos para especificaciones de gestión que cumple con la interfaz de monitorización de diagnóstico digital SFF 8472.
  • Fuente de alimentación: +3,3 V
  • Consumo de energía <1,5 W
  • Rango de temperatura: 0~70°C
  • Cumple con la normativa RoHS

Descripción:

El RSPD-03D80-Cxx de FIBERWDM es un módulo transceptor óptico muy compacto de 1,25 Gb/s para aplicaciones de comunicación óptica en serie. El RSPD-03D80-Cxx convierte un flujo de datos eléctricos en serie de 1,25 Gb/s en una señal de salida óptica de 2,67 Gb/s y una señal de entrada óptica de 1,25 Gb/s en flujos de datos eléctricos en serie de 1,25 Gb/s. La interfaz eléctrica de alta velocidad de 2,67 Gb/s cumple totalmente con la especificación SFI.

El transmisor DWDM COOLED DFB de alto rendimiento y el receptor PINTIA de alta sensibilidad proporcionan un rendimiento superior para aplicaciones Ethernet en enlaces de hasta 80 km.

El módulo SFP cumple con las normas SFF-8431 y SFF-8432. Las funciones de diagnóstico digital están disponibles a través de una interfaz serie de 2 hilos, tal como se especifica en la norma SFF-8472.

El formato totalmente compatible con SFP ofrece conexión en caliente, actualizaciones sencillas de los puertos ópticos y bajas emisiones de EMI.

Calificaciones máximas absolutas

Parámetro Símbolo Mín. Típico Máximo. Unidad
Temperatura de almacenamiento TS -40 +85 °C
Temperatura de funcionamiento de la carcasa ejército de reserva 0 70 °C
Tensión máxima de alimentación Vcc -0.5 4 V
Humedad relativa RH 0 85 %

Características eléctricas (TOP = 0 a 70 °C, VCC = 3,135 a 3,465 voltios)


1.25Gb/s 80km DWDM SFP Transceiver

Nota:

1. Conectado directamente a los pines de entrada de datos TX. Acoplamiento de CA desde los pines al circuito integrado controlador del láser.

2. Según SFF-8431 Rev 3.0

3. Terminación diferencial de 100 ohmios.

4. 20%~80%

5. LOS es una salida de colector abierto. Debe conectarse a una resistencia pull-up de 4,7 kΩ a 10 kΩ en la placa principal. El funcionamiento normal es lógico 0; la pérdida de señal es lógica 1. La tensión máxima de pull-up es de 5,5 V.

Parámetros ópticos (TOP = 0 a 70 °C, VCC = 3,135 a 3,465 voltios)

1.25Gb/s 80km DWDM SFP Transceiver

Nota:

1. Las cifras de potencia promedio son solo informativas. Canal de fibra.

2. Reflexión de 12 dB.

3. Sobrecarga del receptor especificada en OMA y bajo la peor condición de estrés integral.

Características de sincronización

1.25Gb/s 80km DWDM SFP Transceiver

Asignación de pines

Diagrama de los números de pin y el nombre del bloque de conectores de la placa base.

1.25Gb/s 80km DWDM SFP Transceiver

Definiciones de la función de los pines

1.25Gb/s 80km DWDM SFP Transceiver

Nota:

1. Los pines de tierra del módulo deberán estar aislados de la carcasa del módulo.

2. Este pin es un pin de salida de colector/drenador abierto y debe conectarse con una resistencia pull-up de 4,7 kΩ a Host_Vcc en la placa host.

3. Este pin deberá conectarse con una resistencia de 4,7 kΩ a VccT en el módulo.

4. Este pin es un pin de salida de colector/drenador abierto y debe conectarse con una resistencia pull-up de 4,7 kΩ a Host_Vcc en la placa host.

Información y gestión de la EEPROM del módulo SFP

Los módulos SFP implementan el protocolo de comunicación serie de 2 hilos definido en el SFP-8472. La información de ID serie de los módulos SFP y los parámetros del monitor de diagnóstico digital (DDM) se pueden consultar a través de la interfaz I2C en las direcciones A0h y A2h. La memoria se muestra en la Tabla 1. La información detallada de ID (A0h) se presenta en la Tabla 2. La especificación DDM se encuentra en la dirección A2h. Para obtener más detalles sobre el mapa de memoria y las definiciones de bytes, consulte el SFP-8472, "Interfaz de monitorización de diagnóstico digital para transceptores ópticos". Los parámetros DDM se han calibrado internamente.

Tabla 1. Mapa de memoria de diagnóstico digital (descripciones de campos de datos específicos)

1.25Gb/s 80km DWDM SFP Transceiver

Tabla 2 - Contenido de la memoria de identificación serial EEPROM (A0h)

1.25Gb/s 80km DWDM SFP Transceiver

Características del monitor de diagnóstico digital

80km DWDM SFP Transceiver

Cumplimiento normativo

El RSPD-03D80-Cxx cumple con los requisitos y estándares internacionales de compatibilidad electromagnética (CEM) y seguridad (consulte los detalles en la tabla siguiente).

80km DWDM SFP Transceiver

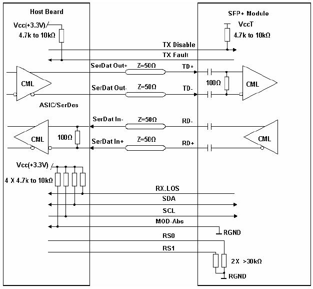
Circuito recomendado

80km DWDM SFP Transceiver

Circuito de alimentación de la placa base recomendado

80km DWDM SFP Transceiver

Circuito de interfaz de alta velocidad recomendado

Dimensiones mecánicas

1.25Gb/s 80km DWDM SFP Transceiver

Información del pedido:

1.25Gb/s 80km DWDM SFP Transceiver 1.25Gb/s 80km DWDM SFP Transceiver

¿Quieres saber sobre este producto?

ENVIAR UN Mensaje
dejar un mensaje

Si Usted está interesado en nuestros productos y desea saber más detalles, deje un mensaje aquí, le responderemos tan pronto como nosotros ... puedamos.

Productos relacionados
1.25G SFP  Transceiver 1.25 g SFP óptico transceptor
1.25 g SFP óptico transceptor Módulo, soporte 1.25GB / S y hasta 120 km de transmisión, incluyendo: SFP Sr, sfp Lr, sfp Er, sfp + Zr, etc.funciona en alta velocidad IDC Soluciones de conexión, Interruptor de red, PTN, OTN y así en.
1.25G SFP  Transceiver 1.25 g DWDM SFP óptico transceptor
1.25 g SFP óptico transceptor Módulo, soporte 1.25GB / S y hasta 120 km de transmisión, incluyendo: SFP Sr, sfp Lr, sfp Er, sfp + Zr, etc.funciona en alta velocidad IDC Soluciones de conexión, Interruptor de red, PTN, OTN y así en.
1.25G SFP  Transceiver 1.25 g CWDM SFP óptico transceptor
1.25 g SFP óptico transceptor Módulo, soporte 1.25GB / S y hasta 120 km de transmisión, incluyendo: SFP Sr, sfp Lr, sfp Er, sfp + Zr, etc.funciona en alta velocidad IDC Soluciones de conexión, Interruptor de red, PTN, OTN y así en.
1.25G SFP  Transceiver 1.25 g BIDI SFP óptico transceptor
1.25 g SFP óptico transceptor Módulo, soporte 1.25GB / S y hasta 120 km de transmisión, incluyendo: SFP Sr, sfp Lr, sfp Er, sfp + Zr, etc.funciona en alta velocidad IDC Soluciones de conexión, Interruptor de red, PTN, OTN y así en.
China SFP 1.25G 1270-1610nm CWDM 200KM DDM Optical Transceiver Transceptor óptico SFP 1.25G 1270-1610nm CWDM 200KM DDM
Módulo transceptor óptico SFP de 1,25 G, compatible con transmisión de 1,25 Gb/s y hasta 200 km Características: Enlaces de datos de hasta 1,25 Gb/s conectable en caliente Conector LC dúplex Hasta 200 km en 9/125 μm SMF Transmisor láser 1270~1610nm CWDM DFB Receptor APD Fuente de alimentación única de +3,3 V Interfaz de monitoreo compatible con SFF-8472 Potencia máxima <1W Rango de temperatura de funcionamiento comercial: -0°C a 70°C Versión disponible Cumple con RoHS y sin plomo Aplicaciones: Metro/Redes de Acceso Ethernet 1000Base-EZX de 1,25 Gb/s 1 × canal de fibra Otros enlaces ópticos
SFP 1.25G DWDM 180KM Transceiver Transceptor óptico SFP 1.25G C17-C61 DWDM 180KM DDM
Módulo transceptor óptico SFP de 1,25 G, compatible con transmisión de 1,25 Gb/s y hasta 180 km Características: conectable en caliente Conector LC dúplex Velocidad de datos de hasta 1,25 Gb/s Red ITU de 100 GHz, banda C Transmisor DFB REFRIGERADO DWDM, fotodetector APD Enlaces SMF de hasta 180 km Interfaz de 2 cables para especificaciones de gestión que cumplen con la interfaz de monitoreo de diagnóstico digital SFF 8472 Fuente de alimentación: + 3,3 V Consumo de energía <1.5W Rango de temperatura: 0~ 70°C RoHS Aplicaciones: Canal de fibra 1G Redes DWDM canal de fibra
China SFP 1.25G 1550nm 200KM DDM Optical Transceiver Transceptor óptico SFP 1.25G 1550nm 200KM DDM
Módulo transceptor óptico SFP de 1,25 G, compatible con transmisión de 200 km de 1,25 Gb/s, funciona en soluciones de conexión IDC de alta velocidad, conmutador de red, PTN, OTN, etc. Características: Enlaces de datos de hasta 1,25 Gb/s conectable en caliente Conector LC dúplex Hasta 200 km en 9/125 μm SMF Transmisor DFBlaser REFRIGERADO 1550nm Receptor APD Fuente de alimentación única de +3,3 V Interfaz de monitoreo compatible con SFF-8472 Potencia máxima <1,5 W Rango de temperatura de funcionamiento: Comercial: 0 °C a 70 °C, Industrial: -40 °C a +85 °C Cumple con RoHS y sin plomo Aplicaciones: Metro/Redes de Acceso Ethernet 1000Base-EZX de 1,25 Gb/s 1 × canal de fibra Otros enlaces ópticos
China SFP 1.25G 1270-1610nm CWDM 150KM DDM Optical Transceiver Transceptor óptico SFP 1.25G 1270-1610nm CWDM 150KM DDM
Módulo transceptor óptico SFP de 1,25 G, compatible con transmisión de 1,25 Gb/s y hasta 150 km Características: Enlaces de datos de hasta 1,25 Gb/s conectable en caliente Conector LC dúplex Hasta 150 km en 9/125 μm SMF Transmisor láser 1270~1610nm CWDM DFB Receptor APD Fuente de alimentación única de +3,3 V Interfaz de monitoreo compatible con SFF-8472 Potencia máxima <1W Rango de temperatura de funcionamiento comercial: -0°C a 70°C Versión disponible Cumple con RoHS y sin plomo Aplicaciones: Metro/Redes de Acceso Ethernet 1000Base-EZX de 1,25 Gb/s 1 × canal de fibra Otros enlaces ópticos
dejar un mensaje
dejar un mensaje
Si Usted está interesado en nuestros productos y desea saber más detalles, deje un mensaje aquí, le responderemos tan pronto como nosotros ... puedamos.

Hogar

Productos

Acerca de

contacto