Interruptor óptico mecánico completo 2x2

Interruptor óptico mecánico completo 2x2

  • Interruptor óptico mecánico 2x2 completo de bajo costo inigualable
  • Distorsiones ópticas bajas
  • Alto aislamiento
  • Alta confiabilidad
  • Trayectoria óptica sin epoxi
  • Detalle del producto

Interruptor óptico mecánico completo 2x2

El conmutador de fibra óptica Full 2x2 conecta canales ópticos dirigiendo o bloqueando una señal óptica entrante hacia la fibra de salida. Esto se logra mediante una configuración opto-mecánica (patente en trámite) y se activa mediante una señal de control eléctrica. La versión con enclavamiento conserva la ruta óptica seleccionada tras la interrupción de la señal de activación, mientras que las versiones sin enclavamiento se configuran por defecto en estado abierto o cerrado al desconectarse la alimentación. Interruptor mecánico de fibra óptica Incorpora sensores de posición eléctricos. El nuevo diseño avanzado basado en materiales reduce significativamente la sensibilidad a la posición de las piezas móviles, ofreciendo una estabilidad sin precedentes y un bajo coste sin igual.

Presupuesto

Longitud de onda operativa

1260~1620 nm (SM)

850 nm (MM)

Pérdida de inserción

≤1,0 dB

Pérdida dependiente de la longitud de onda

≤0,25 dB

Pérdida dependiente de la polarización

≤0,05 dB

Pérdida dependiente de la temperatura

≤0,20 dB

Pérdida de retorno

SM≥50dB

MM≥30dB

Diafonía

SM≥55dB

MM≥35dB

Hora de cambio

≤8 ms

Repetibilidad

≤±0,02 dB

Durabilidad

≥10 7 veces

Voltaje de funcionamiento

3 o 5 V

Tipo de interruptor

Sin enganche/con enganche

Temperatura de funcionamiento

-20~+70℃

Temperatura de almacenamiento

-40~+85℃

Potencia óptica

≤500 mW

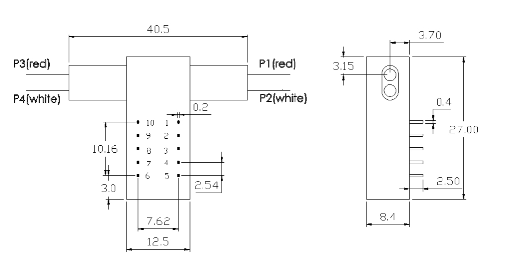
Dimensión

27,0 largo × 12,0 ancho × 8,2 alto mm

Configuraciones de pines

Tipo

Ruta óptica

Accionamiento eléctrico

Sensor de estado

F2×2

Pin 1

Pin5

Pin6

Pin10

Pin 2-3

Pin3-4

Pin7-8

Pin 8-9

Enganche

P1-P4, P2-P3

--

--

Tierra

V+

Cerca

Abierto

Abierto

Cerca

P1-P3, P2-P4

V+

Tierra

--

--

Abierto

Cerca

Cerca

Abierto

Sin enclavamiento

P1-P4, P2-P3

--

--

--

--

Cerca

Abierto

Abierto

Cerca

P1-P3, P2-P4

V+

--

--

Tierra

Abierto

Cerca

Cerca

Abierto

Dimensiones mecánicas (Unidad: mm)

Full 2x2 Mechanical Optical Switch

Ruta óptica

Full 2x2 Mechanical Optical Switch

Información para pedidos

R D-FSW

-F2X2-

-Longitud de onda-

-Tipo de interruptor-

-Voltaje-

-Tipo de fibra-

-Paquete-

-Longitud de la fibra-

-Conector-

1060=1

C+L=2

1310=3

1410=4

1550=5

650=6

780=7

1260-1610=A

1310/1550=9

850=8

Especial=0

Enganche=1

Sin enclavamiento=2

MINI Enclavamiento=3

MINI Sin enclavamiento=4

Especial=0

3V=3

5 V = 5

Especial=0

SM28=1

50/125=5

62,5/125=6

Especial=0

Fibra desnuda=1

Tubo de 900 um=3

Especial=0

0,25 m = 1

0,5 m = 2

1,0 m = 3

Especial=0

Ninguno=1

FC/PC=2

FC/APC=3

SC/PC=4

SC/APC=5

ST/PC=6

LC/PC=7

Dúplex LC=8

Especial=0

¿Quieres saber sobre este producto?

ENVIAR UN Mensaje
dejar un mensaje

Si Usted está interesado en nuestros productos y desea saber más detalles, deje un mensaje aquí, le responderemos tan pronto como nosotros ... puedamos.

Productos relacionados
Mechanical Fiber Optical Switch 1x2 interruptor óptico mecánico
Costo bajo de bajo costo, 1x2 interruptor óptico mecánico distorsiones ópticas bajas Aislamiento alto alta fiabilidad Libre de epoxi camino óptico
Mechanical Fiber Optical Switch Dual 1x2 interruptor óptico mecánico
Costo bajo de bajo costo, D1X2 interruptor óptico mecánico distorsiones ópticas bajas Aislamiento alto alta fiabilidad Libre de epoxi camino óptico
Mechanical Fiber Optical Switch 2x2 Bypass mecánico interruptor óptico
Costo bajo de bajo costo, 2x2 Bypass mecánico interruptor óptico distorsiones ópticas bajas Aislamiento alto alta fiabilidad Libre de epoxi camino óptico
Mechanical Fiber Optical Switch Dual 2x2 Bypass mecánico interruptor óptico
bajo costo de bajo costo, dual 2x2 Bypass mecánico interruptor óptico distorsiones ópticas bajas Aislamiento alto alta fiabilidad Libre de epoxi camino óptico
Mechanical Fiber Optical Switch Mini bypass interruptor óptico mecánico
Costo bajo de bajo costo, mini bypass interruptor óptico mecánico distorsiones ópticas bajas Aislamiento alto alta fiabilidad Libre de epoxi camino óptico
Mechanical Fiber Optical Switch 1x4 interruptor óptico mecánico
Costo bajo de bajo costo, mini bypass interruptor óptico mecánico distorsiones ópticas bajas Aislamiento alto alta fiabilidad Libre de epoxi camino óptico
Mechanical Fiber Optical Switch 4x4 interruptor óptico mecánico
Costo bajo de bajo costo, mini bypass interruptor óptico mecánico distorsiones ópticas bajas Aislamiento alto alta fiabilidad Libre de epoxi camino óptico
Mechanical Fiber Optical Switch Interruptor óptico mecánico 1xN
hasta 1x64 interruptor óptico mecánico Bajo costo inigualable Distorsiones ópticas bajas Alto aislamiento Alta fiabilidad Ruta óptica sin epoxi
dejar un mensaje
dejar un mensaje
Si Usted está interesado en nuestros productos y desea saber más detalles, deje un mensaje aquí, le responderemos tan pronto como nosotros ... puedamos.

Hogar

Productos

Acerca de

contacto