Interruptor de fibra óptica con imán M1x16

Interruptor de fibra óptica con imán M1x16

El interruptor óptico M1x16 se conecta a la trayectoria óptica mediante la conexión o el bloqueo de la señal óptica. Este interruptor tiene configuraciones no mecánicas y se activa mediante una señal de control eléctrica. También incorpora funciones de circulador y aislador. Sus productos se utilizan ampliamente en equipos aeroespaciales y militares.

  • Detalle del producto

Interruptor de fibra óptica con imán M1x16

Características

  • Estado sólido de alta velocidad
  • Alta estabilidad, alta confiabilidad
  • Sin epoxi en la trayectoria óptica
  • Cierre a prueba de fallos

Aplicaciones

  • Equipos aeroespaciales
  • Agregar/eliminar configurable
  • Monitoreo del sistema
  • Sistema de detección

Especificaciones de rendimiento

Parámetros

Unidad

Presupuesto

Rango de longitud de onda

Nuevo Méjico

1520 ~ 1580

Longitud de onda de prueba

Nuevo Méjico 1550

Pérdida de inserción 1, 2

dB

≤ 2.0

TDL

dB

≤0,30

PDL

dB

≤0,20

Pérdida de retorno

dB

≥ 50

Diafonía

dB

Bidireccional ≥ 20

Unidireccional ≥ 40

Repetibilidad

dB

≤±0,01

Tiempo de conmutación

a nosotros

≤100

Duración del pulso

a nosotros

≥200

Durabilidad

Ciclos

≥10 mil millones

Tipo de interruptor

N / A

Enganche

Corriente de funcionamiento

mamá

≤200

Potencia óptica máxima

mW

≤500

Temperatura de funcionamiento

°C

-5 ~ +70

Temperatura de almacenamiento

°C

-40 ~ +85

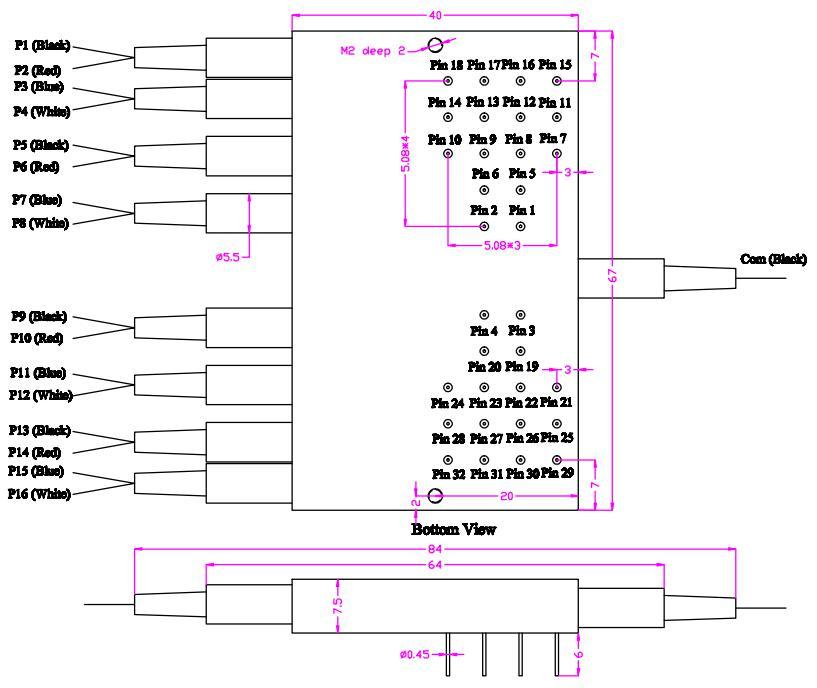
Dimensión

mm

(L)40,0×(An)67×(Al)7,5 ±0,2

Nota: 1 Pruebe a temperatura ambiente y según SOP.

2 Excluyendo conectores, 0,2 dB para un par de conectores.

Dimensiones mecánicas (Unidad: mm)

M1x16 Magnet Fiber Optical Switch

Accionamiento eléctrico

M1x16 Magnet Fiber Optical Switch

Diagrama funcional

1x16 Magnet Fiber Optical Switch

1x16 Magnet Fiber Optical Switch

Información de pedidos

FSW-M1x16-□-□-□-□-□-□-□

1x16 Fiber Optical Switch

¿Quieres saber sobre este producto?

ENVIAR UN Mensaje
dejar un mensaje

Si Usted está interesado en nuestros productos y desea saber más detalles, deje un mensaje aquí, le responderemos tan pronto como nosotros ... puedamos.

Productos relacionados
China M1x1 Magnet Fiber Optical Switch Interruptor de fibra óptica de imán M1x1
Características Alta velocidad de estado sólido Alta estabilidad, alta confiabilidad Libre de epoxi en ruta óptica Enganche a prueba de fallas Aplicaciones Equipo aeroespacial Agregar/soltar configurable Monitoreo del sistema Sistema de detección
China M1x2 Magnet Fiber Optical Switch Interruptor de fibra óptica de imán M1x2
Características Alta velocidad de estado sólido Alta estabilidad, alta confiabilidad Libre de epoxi en ruta óptica Enganche a prueba de fallas Aplicaciones Equipo aeroespacial Agregar/soltar configurable Monitoreo del sistema Sistema de detección
China M2x2 Magnet Fiber Optical Switch Interruptor de fibra óptica de imán M2x2
Características Alta velocidad de estado sólido Alta estabilidad, alta confiabilidad Libre de epoxi en ruta óptica Enganche a prueba de fallas Aplicaciones Equipo aeroespacial Agregar/soltar configurable Monitoreo del sistema Sistema de detección
China M2x2B Magnet Fiber Optical Switch Interruptor de fibra óptica de imán M2x2B
Características Alta velocidad de estado sólido Alta estabilidad, alta confiabilidad Libre de epoxi en ruta óptica Enganche a prueba de fallas Aplicaciones Equipo aeroespacial Agregar/soltar configurable Monitoreo del sistema Sistema de detección
China M1x8 Magnet Fiber Optical Switch Interruptor de fibra óptica de imán M1x8
Características Alta velocidad de estado sólido Alta estabilidad, alta confiabilidad Libre de epoxi en ruta óptica Enganche a prueba de fallas Aplicaciones Equipo aeroespacial Agregar/soltar configurable Monitoreo del sistema Sistema de detección
China M1x4 Magnet Fiber Optical Switch Interruptor de fibra óptica de imán M1x4
Características Alta velocidad de estado sólido Alta estabilidad, alta confiabilidad Libre de epoxi en ruta óptica Enganche a prueba de fallas Aplicaciones Equipo aeroespacial Agregar/soltar configurable Monitoreo del sistema Sistema de detección
MEMS Fiber Optical Switch 1xn MEMS Optical Switch
características Durabilidad y fiabilidad comprobados de MEMS factor de forma compacta Tiempo de cambio rápidoCalificado a Telcordia Gr-1073-Core y rohs aplicaciones OpticalSignal Cambio Androuting Protección y restauración de la red óptica.Monitoreo de ruta óptica (Trabajando OTDR OR OCM) intercambio de recursos de instrumentación
3G-SDI to Fiber Converter Convertidor de 3G-SDI a fibra tipo mini con Tally o RS485 inverso
Características Cada canal incluye audio de 8 canales integrado. Ecualización automática de cable, utilizada para todas las velocidades por debajo de 3,2 Gb/s (Belden 1694A). Reclocking automático 270Mbit/s - 1.48Gbit/s - 3Gbit/s Directamente compatible con los sistemas de cámara HD-SDI Larga capacidad de transmisión de hasta 80 km. Intercambio en caliente y conexión en caliente. Manejar todos los patrones patológicos, transmisión de nivel de transmisión sin compresión totalmente digital. Indicación de estado LED para monitorear las condiciones de trabajo. rango dinámico súper óptico y libre de ajuste. Longitudes de onda CWDM de 1470~1610nm opcionales. rango de temperatura ultra amplio de nivel industrial (-20 ℃ ~ + 70 ℃), adaptable a varios entornos.
dejar un mensaje
dejar un mensaje
Si Usted está interesado en nuestros productos y desea saber más detalles, deje un mensaje aquí, le responderemos tan pronto como nosotros ... puedamos.

Hogar

Productos

Acerca de

contacto