Transceptor SFP+ DWDM FC de 16 Gbps, banda C, EML, alcance de 40 km

Transceptor SFP+ DWDM FC de 16 Gbps, banda C, EML, alcance de 40 km

Los transceptores SFP+ son módulos de alto rendimiento y rentables que admiten una velocidad de datos de 16 Gbps y una distancia de transmisión de 40 km con SMF.

El transceptor consta de tres secciones: un transmisor láser EML refrigerado, un fotodiodo PIN integrado con un preamplificador de transimpedancia (TIA) y una unidad de control MCU. Todos los módulos cumplen con los requisitos de seguridad láser de clase I.

Los transceptores son compatibles con el acuerdo de múltiples fuentes SFP y las funciones de diagnóstico digital SFF-8472.

  • Detalle del producto

Transceptor SFP+ DWDM FC de 16 Gbps, banda C, EML, alcance de 40 km RSPD-16GD40-CXX

Características del producto

  • Admite velocidades de bits de hasta 16 Gbps
  • Huella SFP+ conectable en caliente
  • Láser EML DWDM y fotodiodo PIN, hasta 40 km para transmisión SMF
  • Compatible con SFP+ MSA y SFF-8472 con receptáculo LC dúplex
  • Compatible con RoHS
  • Fuente de alimentación única de +3,3 V
  • Monitoreo de diagnóstico digital en tiempo real
  • Temperatura de funcionamiento: Estándar: 0 a +70 °C

Aplicaciones

  • Canal de fibra de 4,25/8,5/16 G
  • Otros enlaces ópticos

SFP+ 16G FC DWDM 40KM

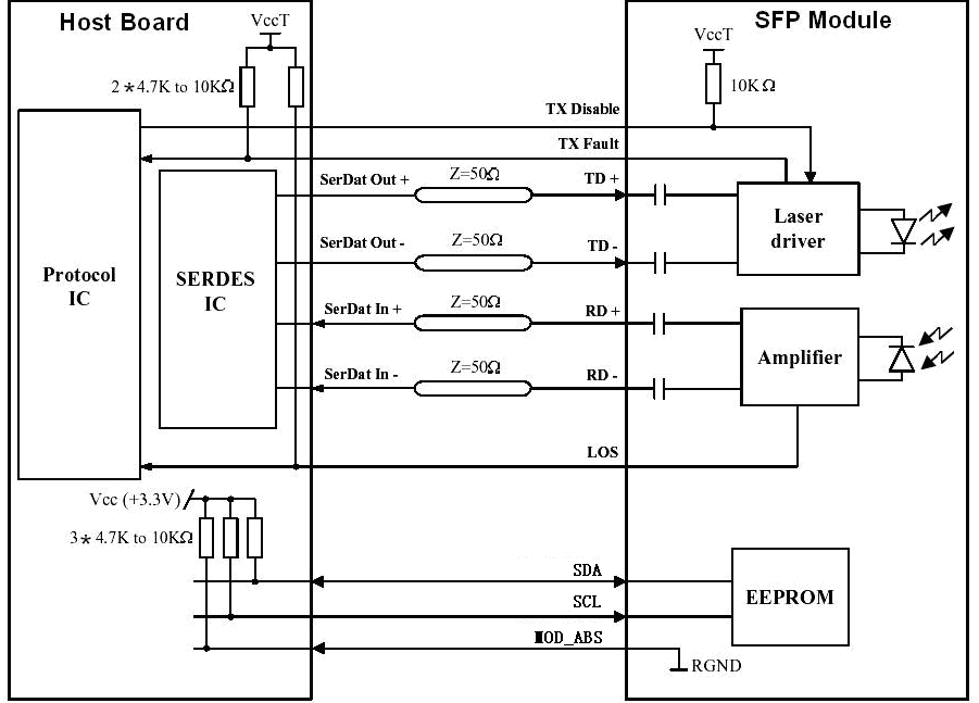
Diagrama funcional del transceptor

Calificaciones máximas absolutas

Parámetro Símbolo Mínimo Máximo Unidad
Voltaje de suministro Vcc -0.5 4.5 V
Temperatura de almacenamiento Ts -40 +85 °C
Humedad de funcionamiento 5 85 %

Condiciones de funcionamiento recomendadas

Parámetro Símbolo Mínimo Típico Máximo Unidad
Temperatura de la caja de funcionamiento Tc 0 +70 °C
Voltaje de la fuente de alimentación Vcc 3.135 3.30 3.465 V
Corriente de la fuente de alimentación Corte Penal Internacional 550 mamá
Velocidad de datos 4.25 16 Gbps

Características ópticas y eléctricas

SFP+ 16G FC DWDM 40KM

Notas:

1. La potencia óptica se lanza al SMF.

2. Entrada PECL, acoplada y terminada internamente en CA.

3. Medido con un PRBS 2 31 -1 patrón de prueba a 16000 Mbps, BER ≤1×10 -12 .

4. Acoplado internamente a CA.

Sincronización y electricidad

SFP+ 16G FC DWDM 40KM

iDiagnóstico

16G FC DWDM SFP+ Transceiver

Mapa de memoria de diagnóstico digital

Los transceptores proporcionan contenidos de memoria de identificación en serie e información de diagnóstico sobre las condiciones operativas actuales mediante la interfaz en serie de 2 cables (SCL, SDA).

La información de diagnóstico se implementa con calibración interna o externa, incluido el monitoreo de potencia recibida, el monitoreo de potencia transmitida, el monitoreo de corriente de polarización, el monitoreo de voltaje de suministro y el monitoreo de temperatura.

El campo de datos específico del mapa de memoria de diagnóstico digital se define de la siguiente manera.

16G FC DWDM SFP+ Transceiver

Descripciones de pines

16G FC DWDM SFP+ Transceiver

SFP+ 40KM DWDM Transceiver

Notas:

Secuencia de enchufe: secuencia de enganche de pasadores durante el enchufe en caliente.

1) La falla TX es una salida de colector abierto, que debe ajustarse con una resistencia de 4,7 kΩ a 10 kΩ en la placa base a un voltaje entre 2,0 V y Vcc + 0,3 V. El valor lógico 0 indica un funcionamiento normal; el valor lógico 1 indica una falla del láser. En estado bajo, la salida se ajustará a menos de 0,8 V.

2) Salida láser deshabilitada en TDIS >2,0 V o abierta, habilitada en TDIS <0,8 V.

3) LOS es la salida de colector abierto. Debe ajustarse con 4,7 kΩ a 10 kΩ en la placa base hasta un voltaje entre 2,0 V y 3,6 V. El 0 lógico indica funcionamiento normal; el 1 lógico indica pérdida de señal.

4) RD-/+: Son las salidas diferenciales del receptor. Son líneas diferenciales de 100 V con acoplamiento interno de CA, que deben terminarse con 100 Ω (diferencial) en el SERDES del usuario.

5) TD-/+: Son las entradas diferenciales del transmisor. Son líneas diferenciales acopladas internamente a CA con terminación diferencial de 100 Ω dentro del módulo.

Circuito de interfaz recomendado

SFP+ 40KM DWDM Transceiver

Dimensiones mecánicas

16g DWDM 40km transceiver

Información de pedidos

RSPD-16GD40-CXX XX: Longitud de onda de la red UIT de 100 GHz

16g DWDM 40km transceiver 16g DWDM 40km transceiver

¿Quieres saber sobre este producto?

ENVIAR UN Mensaje
dejar un mensaje

Si Usted está interesado en nuestros productos y desea saber más detalles, deje un mensaje aquí, le responderemos tan pronto como nosotros ... puedamos.

Productos relacionados
SFP+ 16G DWDM 20KM Transceiver Transceptor óptico SFP+ 16G C17-C61 DWDM 20KM DDM
Características del producto Admite tasas de bits de hasta 14,025 Gbps Huella SFP+ conectable en marcha ITU de 100 GHz, láser EML refrigerado DWDM de banda C y fotodiodo PIN, hasta 20 km para transmisión SMF Cumple con SFP+ MSA y SFF-8472 con receptáculo LC dúplex Compatible con RoHS Fuente de alimentación única de +3,3 V Monitoreo de diagnóstico digital en tiempo real Temperatura de funcionamiento de la caja: Estándar: 0 a +70°C Aplicaciones Canal de fibra 4.25/8.5/14.025G Otros enlaces ópticos
 1.6T OSFP-XD DR8+ 1.6T OSFP-XD DR8+
El RO-1T6-2DR4-2 está diseñado para transmitir y recibir enlaces de datos ópticos en serie con una velocidad de hasta 212,5 Gb/s (por canal) mediante modulación PAM4 a través de fibra monomodo. Se trata de un módulo transceptor compacto y conectable en caliente que integra un láser EML de alto rendimiento. Cumple con las especificaciones Ethernet de 1600G y el estándar OSFP-XD MSA.
100G LR1 10km SFP-DD Transceptor óptico SFP-DD 100G LR1 de 10 km
El transceptor óptico 100G LR1 SFP56-DD está diseñado para su uso en enlaces Ethernet de 100 Gigabits de hasta 10 km sobre fibra monomodo (SMF). Es compatible con SFP56-DD MSA, IEEE802.3CU, 100G Lambda 100G LR1 y 100GAUI-2 (sin FEC)¹. Las funciones de diagnóstico digital están disponibles a través de la interfaz I²C, según lo especificado por SFP56-DD MSA. El módulo incorpora una señal óptica de un canal con una longitud de onda central de 1311 nm y opera a una velocidad de datos de 100 Gbps. Este módulo puede convertir dos canales de datos de entrada eléctrica de 53 Gbps (PAM4) en un canal de señal óptica de 106 Gbps (PAM4), y también puede convertir un canal de señal óptica de 106 Gbps (PAM4) en dos canales de datos de salida eléctrica de 53 Gbps (PAM). La interfaz óptica utiliza un conector LC dúplex. El transmisor EML refrigerado de alto rendimiento y el receptor PIN de alta sensibilidad ofrecen un rendimiento superior para aplicaciones Ethernet de 100 Gigabits con enlaces de hasta 10 km.
Splitter PLC 1X16 LC/APC Plug-in LGX Box Divisor PLC 1X16 LC/APC enchufable LGX Box 215*150*20MM
Características: Diseño compacto Baja pérdida de inserción y baja PDL Alta confiabilidad Alto número de canales Amplio rango de longitud de onda Amplio rango de temperatura de funcionamiento Embalaje y configuración personalizados
100G QSFP28 ZR4 100Gb QSFP28 ZR4 80Km 1310nm LC Transceptor óptico
Módulo transceptor óptico 100G QSFP28 ZR4, admite transmisión de 100 Gb/s y hasta 80 km en fibra SM, funciona en soluciones de conexión IDC de alta velocidad, etc. Características Diseño MUX/DEMUX de 4 carriles Admite 100GBASE-ZR4 para una velocidad de línea de 103,125 Gbps y OTU4 para una velocidad de línea de 111,81 GbpsLANWDM EML láser y receptor PIN con SOA Ancho de banda agregado de >100 Gbps Conectores LC dúplex Cumple con el estándar IEEE 802.3-2012 Cláusula 88 IEEE 802.3bm CAUI-4 estándar eléctrico de chip a módulo ITU-T G.959.1-2012-02 estándar· Funcionamiento con fuente de alimentación única de +3,3 V Funciones de diagnóstico digital incorporadas Rango de temperatura 0°C a 70°C Parte compatible con RoHS Admite FEC (Corrección de errores hacia adelante)
 L2 Silicon Optical 3-Axis Gyro Giroscopio óptico de silicio de 3 ejes L2
El giroscopio óptico de silicio de 3 ejes L2 es un producto fotónico de silicio de alto rendimiento para la detección de velocidad angular de 3 ejes, dedicado a la detección de velocidad angular de 3 ejes de alta precisión. Tiene una estabilidad de polarización cero a temperatura ambiente de ≤0,2°/h, un rango de medición de velocidad angular de -800~+800°/s, un factor de paseo aleatorio angular de ≤0,02(°)/h¹ᐟ² y un ancho de banda de ≥400 Hz, con una no linealidad del factor de escala y una repetibilidad de ≤100 ppm. El producto tiene un tiempo de arranque de ≤1 minuto, un rango de temperatura de funcionamiento de -40~+60℃ y un rango de temperatura de almacenamiento de -55~+85℃, y admite una fuente de alimentación de amplio voltaje de +12~+24V. Tiene unas dimensiones de 70±0,3×65±0,3×51,4±1 mm y un peso máximo de 500 g, y se adapta a una interfaz eléctrica estandarizada. Gracias a su alta precisión de detección y su gran adaptabilidad ambiental, proporciona datos de detección de velocidad angular de gran fiabilidad y estabilidad.
 DAS Integrated Optical Module(Raman) Módulo óptico integrado DAS (Raman)
Características Altamente integrado (UNL, AOM, EDFA, BPD, RAMAN) Temperatura de trabajo: -10~50℃ Alta confiabilidad y estabilidad Modo de control flexible Canal único/doble
2CH CWDM OADM Dual Fiber Fibra dual 2CH CWDM OADM Oeste y Este, caja de montaje DIN
El OAMD CWDM de 2 canales está diseñado por FIBERWDM, con una longitud de onda de 1270 nm a 1610 nm, y es un dispositivo CWDM pasivo, de fibra dual, que admite 2 canales de diferencia comercial hacia el oeste y 2 canales de diferencia comercial hacia el este (elimina y agrega 2 canales al lado de diferencia). Funciona en Broadcast y TV, IDC, finanzas, gobierno, nube, datos masivos y otras industrias, donde el recurso de fibra óptica es escaso.
dejar un mensaje
dejar un mensaje
Si Usted está interesado en nuestros productos y desea saber más detalles, deje un mensaje aquí, le responderemos tan pronto como nosotros ... puedamos.

Hogar

Productos

Acerca de

contacto