Transceptor QSFP112 400G BASE-SR4 850 nm 100 m

Transceptor QSFP112 400G BASE-SR4 850 nm 100 m

El transceptor QSFP112 SR4 de 400G está diseñado para transmitir y recibir enlaces de datos ópticos en serie con una velocidad de datos de hasta 106,25 Gb/s (por canal) mediante modulación PAM4 sobre fibra multimodo. Es un módulo transceptor enchufable de formato pequeño con una relación de extinción óptica de 2,5 dB y un VCSEL de alto rendimiento. Cumple con las especificaciones Ethernet de 400G y QSFP112 MSA.

  • Detalle del producto

Transceptor QSFP112 400G BASE-SR4 850 nm 100 m

Solicitud

  • Ethernet 400GBASE-SR4
  • Conexiones de conmutadores y enrutadores
  • Centros de datos
  • Otros requisitos de interconexión de 400G

Características

  • Velocidad de datos 106,25 Gbps (PAM4) por canal
  • Conector APC MPO-12
  • Matriz VCSEL PAM4 de 4 x 100 G
  • Fuente de alimentación única de +3,3 V
  • Función DDM implementada
  • Factor de forma QSFP112 conectable en caliente
  • Longitud máxima de enlace de 100 m en OM4/0M5 (MMF)
  • Rango de temperatura de funcionamiento: 0~+70 °C
  • Consumo máximo de energía 10W
  • Láser de clase 1
  • Cumplimiento de la norma ROHS 6.0

Especificación

Parámetro Símbolo Unidad Mínimo Típico Máximo Notas
Transmisor (por carril)
Velocidad de señalización por carril GBd 53.125±100pm
Formato de modulación PAM4
Longitud de onda central Nuevo Méjico 844 850 863
Ancho espectral RMS RMS dB 0.6
Potencia de lanzamiento promedio por carril TXPx dBm -4.6 4
Amplitud de modulación óptica externa por carril OMAouter dBm -2.6 3.5
Excursión del transmisor, cada carril DPx dB 2.3

Cierre del transmisor y del ojo de penalización de dispersión para PAM4, cada carril

TDECQ dB 4.4

Potencia de lanzamiento promedio del transmisor apagado, cada carril

dBm -30
Tiempo de transición del transmisor Tr, Tf PD 17
Relación de extinción óptica Sala de emergencias dB 2.5
RIN 12 OMA dB/Hz -132
Tolerancia de pérdida de retorno óptico dB 12
Flujo rodeado ≥86% a 19 mm, ≤30% a 4,5 mm

Parámetro Símbolo Unidad Mínimo Típico Máximo Notas
Receptor (por carril)
Velocidad de señalización por carril GBd 53.125±100pm
Formato de modulación PAM4
Longitud de onda operativa de entrada Nuevo Méjico 842 948
Umbral de daño por carril DT dBm 5
Potencia de recepción promedio por carril RXPx dBm -6.4 4
Potencia de recepción OMAouter por carril OMAouter dBm 3.5
Reflectancia del receptor RFL -12

Sensibilidad del receptor (OMAouter), cada carril

dBm -4.6
Sensibilidad estresada (OMAouter) 5 dBm -2

BER=2,4E-4 TDECQ=4,4

Información de pedidos

Número de pieza Presupuesto Solicitud
Paquete Velocidad de datos Láser Potencia óptica Detector Sensibilidad Temperatura Alcanzar Otros

RQ112-400G-SR4

QSFP112 400 gramos VCSEL -4,6~4 dBm ALFILER <-4,6 dBm a OMA 0~70 ℃ 100 millones RoHS

Base SR4 de 400 g

Calificaciones máximas absolutas

Parámetro Símbolo Unidad Mínimo Máximo
Rango de temperatura de almacenamiento Ts °C -40 +85
Humedad relativa RH % 5 95
Voltaje de la fuente de alimentación Vcc V -0.5 +4.0

Condiciones de funcionamiento recomendadas

Parámetro Símbolo Unidad Mínimo Típico Máximo
Rango de temperatura de la caja de funcionamiento Tc °C 0 / 70
Voltaje de la fuente de alimentación Vcc V 3.135 3.3 3.465

Interfaz óptica

QSFP112 400G BASE-SR4 Transceiver Figura 1 Secuencia de carriles ópticos

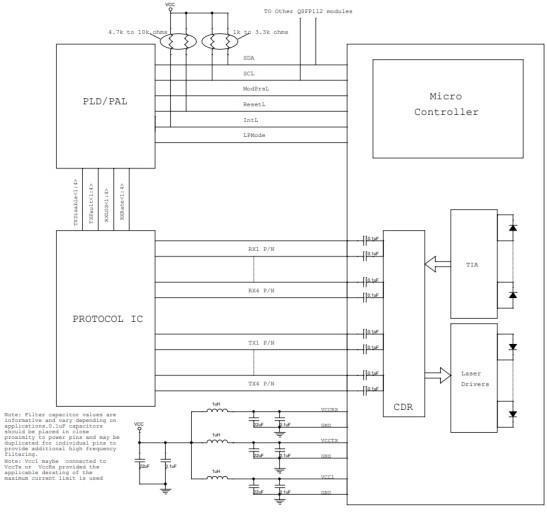
Diagrama de principios

QSFP112 400G BASE-SR4 Transceiver Figura 2 Diagrama del principio del módulo

Definición de puertos eléctricos

Parámetro Símbolo Unidad Mínimo Típico Máximo Notas
Voltaje de suministro VCC V 3.14 3.47
Corriente de suministro CPI mamá 3000
Tiempo de inicialización de encendido del transceptor EM 2000
Transmisor
Tasa de señalización PAM4 por carril BR GBd 53.125 PAM4
Tolerancia de voltaje de entrada de un solo extremo VinT V -0.3 4.0
Oscilación de entrada de datos diferencial Número de identificación del vehículo (VIN) mVp-p 880
Ruido de modo común (RMS) mV 17.5

Desajuste de resistencia de terminación diferencial

% 10

Receptor

Tasa de señalización PAM4 por carril

GBd 53.125

Voltaje de salida de un solo extremo

VoutR V 0,45

Oscilación de salida de datos diferenciales

Vout,PP mVp-p 900

Ruido de modo común (RMS)

mV 17.5

Desajuste de resistencia de terminación diferencial

% 10

Comunicación del IIC

Frecuencia de reloj IIC (modo rápido)

MEGAHERCIO 1

Estiramiento del reloj

a nosotros 500

Tiempo de retención de datos

ns 300

QSFP112 400G Transceiver

Figura 3 Detalles de la distribución de pines eléctricos

Descripciones de pines

Número de pin Lógica Símbolo Descripción Nota
1 Tierra Suelo 1
2 LMC-I Tx2n Entrada de datos invertida del transmisor
3 LMC-I Tx2p Salida de datos no invertida del transmisor
4 Tierra Suelo 1
5 LMC-I Tx4n Entrada de datos invertida del transmisor
6 LMC-I Tx4p Salida de datos no invertida del transmisor
7 Tierra Suelo 1
8 LVTTL-I ModSelL Seleccionar
9 LVTTL-I RestablecerL Reiniciar
10 VccRx Receptor de fuente de alimentación de +3,3 V 2
11 LVCOMS-E/S SCL Reloj de interfaz serial de 2 cables
12 LVCOMS-E/S Adventista del Séptimo Día Datos de la interfaz serial de 2 cables
13 Tierra Suelo 1
14 LMC-0 Rx3p Salida de datos no invertida del receptor
15 LMC-0 Rx3n Salida de datos invertida del receptor
16 Tierra Suelo 1
17 LMC-0 Rx1p Salida de datos no invertida del receptor
18 LMC-0 Rx1n Salida de datos invertida del receptor
19 Tierra Suelo 1
20 Tierra Suelo 1
21 LMC-0 Rx2n Salida de datos invertida del receptor
22 LMC-0 Rx2p Salida de datos no invertida del receptor
23 Tierra Suelo 1
24 LMC-0 Rx4n Salida de datos invertida del receptor
25 LMC-0 Rx4p Salida de datos no invertida del receptor
26 Tierra Suelo 1
27 LVTTL-0 ModPrsL Presente
28 LVTTL-0 IntL/RxLOS Interrupción/RxLOS opcional
29 VccTx Transmisor de fuente de alimentación de +3,3 V 2
30 Vcc1 Fuente de alimentación de +3,3 V 2
31 LVTTL-I Modo LP/TxDis Modo de bajo consumo/desactivación de TX opcional
32 Tierra Suelo 1
33 LMC-I Tx3p Entrada de datos invertida del transmisor
34 LMC-I Tx3n Salida de datos no invertida del transmisor
35 Tierra Suelo 1
36 LMC-I Tx1p Entrada de datos invertida del transmisor
37 LMC-I Tx1n Salida de datos no invertida del transmisor
38 Tierra Suelo 1
39 Tierra Suelo 1
40 LMC-I Tx6n Entrada de datos invertida del transmisor
41 LMC-I Tx6p Salida de datos no invertida del transmisor
42 Tierra Suelo 1
43 LMC-I Tx8n Entrada de datos invertida del transmisor
44 LMC-I Tx8p Salida de datos no invertida del transmisor
45 Tierra Suelo 1
46 Reservado Para uso futuro 3
47 VS1 Módulo específico del proveedor 1 3
48 VccRx1 Receptor de fuente de alimentación de +3,3 V 2
49 VS2 Módulo específico del proveedor 2 3
50 VS3 Módulo específico del proveedor 3 3
51 Tierra Suelo 1

Notas:

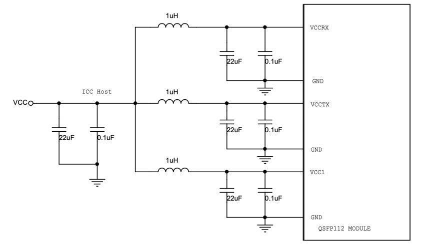
1. GND es el símbolo de señal y alimentación (potencia) común para el módulo QSFP112. Todos son comunes dentro del módulo QSFP112 y todos los voltajes se refieren a este potencial a menos que se indique lo contrario. Conéctelos directamente al plano de tierra común de la señal de la placa base. 2. Vcc Rx, Vcc1 y Vcc Tx son las fuentes de alimentación del receptor y del transmisor y deben aplicarse simultáneamente. Los requisitos, definidos para el lado host del conector de la tarjeta de borde host, se enumeran en la Tabla 4. El filtrado recomendado de la fuente de alimentación de la placa base se muestra en la Figura 4. Vcc Rx, Vcc1 y Vcc Tx pueden conectarse internamente dentro del módulo QSFP112 en cualquier combinación. Cada pin del conector tiene una corriente máxima de 1,5 A (se requiere una corriente máxima de 2,0 A para una potencia alta del módulo de 15-20 W).

Mapa de memoria del módulo

QSFP112 400G Transceiver QSFP112 400G Transceiver

Figura 4 Mapa de memoria de diagnóstico digital

Filtrado de la fuente de alimentación de la placa host

Cualquier caída de tensión en una red de filtros del host se contabiliza en la especificación de precisión del punto de ajuste de CC del host. Se deben utilizar inductores con una resistencia de CC inferior a 0,1 ohmios para mantener la tensión requerida en el conector de la tarjeta de borde del host. La Figura 5 muestra la interfaz transceptor/host sugerida.

QSFP112 400G BASE-SR4

¿Quieres saber sobre este producto?

ENVIAR UN Mensaje
dejar un mensaje

Si Usted está interesado en nuestros productos y desea saber más detalles, deje un mensaje aquí, le responderemos tan pronto como nosotros ... puedamos.

Productos relacionados
400G QSFP28 DR4 400g QSFP-DD DR4 PAM4 1310nm 500m MPO óptico transceptor
400g QSFP-DD DR4 óptico transceptor Módulo, soporte 400 GB / S y hasta 500m Transmisión en la fibra SM, funciona en alta velocidad IDC Conexión Soluciones.
400G QSFP28 SR8 Transceptor óptico 400G QSFP-DD SR8 850nm MPO 100M
El módulo transceptor óptico 400G QSFP-DD SR8, admite 400 gb/s y hasta 100 m de transmisión en fibra MM, funciona en soluciones de conexión IDC de alta velocidad.
400G QSFP28 SR8 Transceptor óptico 400G QSFP-DD LR4 10KM
Módulo transceptor óptico 400G QSFP-DD LR4, soporta 400Gb/s y hasta 10Km de transmisión en fibra SM, funciona en soluciones de conexión IDC de alta velocidad. Características Cumple con QSFP-DD MSA Cumple con la especificación 100G Lambda MSA 400G-LR4 Cumple con CMIS5.0 Cumple con la norma IEEE 802.3bs Interfaz eléctrica 8x53.125Gb/s (400GAUI-8) Láser EML enfriado con longitud de onda CWDM Transmisión de hasta 10 km en fibra monomodo (SMF) con FEC Fuente de alimentación única de +3,3 V Rango de temperatura de la carcasa: 0 ~ +70 ℃ Consumo máximo de energía 12W Conector LC dúplex queja RoHS Aplicaciones Ethernet 400G BASE-LR4 Interconexión del centro de datos Redes empresariales
400G CFP2 Optical Transceiver Module Módulo transceptor óptico 400G CFP2 DCO
Módulo transceptor óptico 400G CFP2 Se utiliza en la placa base del sistema. Hasta 2000 km en aplicación MAN DWDM
OSFP 400G SR4 Transceptor óptico IB de 400G OSFP SR4 milímetro MPO12
Características Interfaz óptica serie OSFP Interfaz eléctrica 4x100G PAM4 reprogramada 400GAUI-4 Cable óptico activo Conjuntos VCSEL de 4 canales y conjuntos de fotodetectores PIN de 4 canales Longitud máxima del enlace de 60 m en OM3 o 100 m en OM4 Cumple con OSFP MSA Factor de forma OSFP conectable en caliente Cumple con la especificación del módulo OSFP Rev 5.0 Cumple con CMIS 5.2 Protocolo de soporte Cumple con IEEE 802.3db Cumple con IEEE 802.3ck Bajo consumo de energía Menos de 8 W en un rango de temperatura de 0 a 70 ℃ Aplicaciones 400GBASE-SR4 400G Ethernet Centro de datos
OSFP 400G DR4 Transceptor óptico IB de 400G OSFP DR4 SM MPO12
Características Factor de forma: factor de forma OSFP conectable en caliente  Velocidad de datos: Velocidad de datos agregada de 425 Gb/s y velocidad de datos de ruptura de 106,25 Gb/s  Interfaz óptica: compatible con 400GBASE-DR4 y 4x100GBASE-DR Transmisor: Transmisor EML 1310nm  Interfaz eléctrica: compatible con 400GAUI-4 y 4x100GAUI-1 Receptor: PIN y matriz TIA en el lado del receptor Interfaz de gestión: interfaz de gestión I2C Alcance: Hasta 500 m sobre fibra monomodo MPO-12/APC  Consumo de energía: 9 W máx.  Temperatura de la caja de funcionamiento: 0 ~ 70 ℃ Fuente de alimentación: fuente de alimentación única de 3,3 V Cumplimiento Factor de forma: OSFP MSA Óptico: IEEE802.3bs Eléctrico: IEEE802.3ck Firmware: CMIS Medio ambiente: RoHS Estabilidad: GR-468-CORE Aplicaciones Ethernet de 400 Gbps Centro de datos  InfiniBand
400G QSFP-DD FR4 Transceptor óptico 400G QSFP-DD FR4 2KM
Aplicaciones Ethernet 400G BASE-FR4 Interconexión del centro de datos Interconexión InfiniBand Redes empresariales Características Cumple con QSFP-DD MSA Diseño MUX/DEMUX de 4 carriles CWDM 100G Lambda MSA 400G-FR4 Cumple con la especificación Consumo máximo de energía 10W
QSFP-DD 400G EDR4 Transceptor óptico 400G QSFP-DD EDR4 SM MPO12 los 2km
Características Cumple con la especificación IEEE 802.3bs Cumple con QSFP-DD MSA Interfaz óptica PAM4 de 4x106,25 Gbps Interfaz eléctrica PAM4 de 8x53,125 Gbps Interfaz I2C con DDM integrado Distancia de transmisión de hasta 2 km en fibra monomodo (SMF) con FEC tensión de capa superior: 3,3 V Consumo máximo de energía: 12 W Conector MTP/MPO-12 Temperatura de funcionamiento de la caja: 0 a 70 °C RoHS Aplicaciones Ethernet de 400G Redes empresariales de centros de datos
dejar un mensaje
Si Usted está interesado en nuestros productos y desea saber más detalles, deje un mensaje aquí, le responderemos tan pronto como nosotros ... puedamos.

Hogar

Productos

Acerca de

contacto