Transceptores PSM4 QSFP28 de 100 G y 10 km

Transceptores PSM4 QSFP28 de 100 G y 10 km

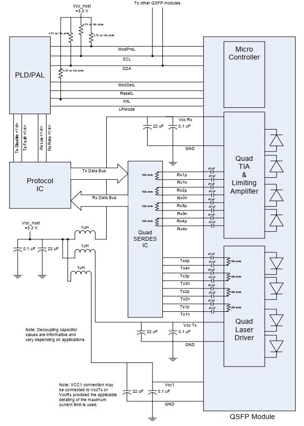
El transceptor óptico RQ-100G-PSM4 QSFP28 está diseñado para un alcance de hasta 10 km con una velocidad de datos de 25,78125G en cuatro carriles. Se alimenta a 3,3 V CC y funciona en el rango de temperatura comercial. Es compatible con QSFP MSA, SFF-8436, SFF-8636 y PSM4 MSA. Las funciones de diagnóstico digital están disponibles a través de la interfaz I₂C, y las funciones de control se pueden lograr mediante interfaces LVTTL en el host, incluyendo principalmente Selección de Módulo (ModSelL), Reinicio de Módulo (ResetL) y Modo de Bajo Consumo (LPMode). El transceptor incorpora una matriz de cuatro láseres (generalmente DFB), una matriz de diodos de cuatro pines, un CDR de alto rendimiento con cuatro controladores integrados y un circuito integrado TIA independiente. Las interfaces de datos de transmisión y recepción con acoplamiento diferencial en CA son compatibles con CML.

  • Detalle del producto

100G QSFP28 10km PSM4 Transceivers

Applications

  • 100G BASE Ethernet
  • Infiniband EDR interconnects
  • Enterprise networking

Características

  • Interfaz óptica MPO12
  • Longitud máxima de enlace hasta 10 km
  • Enlaces de datos de hasta 25,78125 Gb/s por carril
  • Fuente de alimentación de +3,3 V
  • Paquete compatible con QSFP MSA
  • Conectable en caliente
  • Transmisor DML de modo único de alto rendimiento
  • Receptor óptico PIN/TIA de alta sensibilidad
  • Operación en modo único
  • BER < 5E-5 a -12,5 dBm (OMA)
  • CDR incorporado
  • Temperatura de funcionamiento de la caja: 0 a 70ºC
  • Interfaces de datos y control
  • Datos de transmisión acoplados CML/AC
  • Datos de Rx CML/AC acoplados
  • ModSelL LVTTL
  • Restablecer LVTTL
  • ModPrsL LVTTL
  • Modo LP LVTTL
  • Bus de comunicación I2C de 2 cables
  • Cumplimiento de RoHS 6

Parámetros máximos absolutos

Clasificaciones máximas absolutas (EXCEDER ESTAS CALIFICACIONES PUEDE CAUSAR DAÑOS IRREVERSIBLES AL DISPOSITIVO)

Parámetro

Símbolo

Mínimo

Máximo

Unidades

Notas

Temperatura de almacenamiento

Prueba

-40

+95

ºC

Superar los valores máximos absolutos puede provocar daños irreversibles al dispositivo.

El dispositivo no está diseñado para funcionar bajo condiciones de potencia máxima absoluta simultánea, lo que puede provocar daños irreversibles en el dispositivo.

Temperatura de funcionamiento de la caja (comercial)

A

0 +70

ºC

Humedad relativa - Almacenamiento

RHS

0 95 %

Humedad relativa - Funcionamiento

RHO

0 85 %

Voltaje de suministro

VCC

-0.3 3.6 V

Condiciones de funcionamiento

Condiciones de funcionamiento recomendadas

Parámetro

Símbolo

Mínimo

Típico

Máximo

Unidades

Temperatura de funcionamiento de la caja

Caso T

0

+70

ºC

Voltaje de suministro de CC

VCC

3.135

3.465

V

Corriente de suministro del módulo

Instituto Nacional de la Información

1000 mamá

Características eléctricas

Características eléctricas del transmisor

Parámetro

Símbolo

Mínimo

Típico

Máximo

Unidades

Entrada de datos diferenciales Swing

Número de identificación del vehículo (VIN)

180

900

mV

Impedancia de entrada diferencial Tx

Zin

90 100 110

Ω

Impedancia de salida diferencial Tx

Zout

45 50 55

Ω

ResetL Deshabilitar voltaje

realidad virtual

2.0

Vcc+0,3

V

Voltaje de habilitación ResetL

VrEN

0

0.8

V

Voltaje de desactivación de ModSelL

Máquina virtual

2.0

Vcc+0,3

V

Voltaje de habilitación de ModSelL

VmEN

0

0.8

V

Características eléctricas del receptor

Parámetro

Símbolo

Mínimo

Típico

Máximo

Unidades

Oscilación de salida de datos diferenciales

VOUT

180 900

mV

Impedancia de salida diferencial Rx

ZOUT

90 100 110

Ω

Voltaje de afirmación internacional

VInt

VCC-0.5

VCC+0,3

V

IntL Desactivar voltaje

VDInt

0

+0.4

V

Especificación óptica

Especificación óptica del transmisor

Parámetro

Símbolo

Mínimo

Típico

Máximo

Unidades

Notas

Velocidad de la señal | Cada carril

25,78125±100 ppm

Gbps

Longitud de onda del carril

L0

1295

1310

1325

Nuevo Méjico

L1

1295

1310

1325

Nuevo Méjico

L2

1295

1310

1325

Nuevo Méjico

L3

1295

1310

1325

Nuevo Méjico

Relación de supresión del modo lateral

SMSR

30

dB

Potencia de lanzamiento promedio total

Ptol

8.0

dBm

Potencia de lanzamiento promedio | Cada carril

Pavo real

-9.4 2.0

dBm

Amplitud de modulación óptica | Cada carril

OMA

2.2

dBm

1

Penalización por transmisor y dispersión | Cada carril

TDP

2.9

dB

Coordenadas de la máscara de ojos:

X1, X2, X3, Y1, Y2, Y3

{0,31, 0,4, 0,45, 0,34, 0,38, 0,4}

2

Potencia de lanzamiento promedio del transmisor APAGADO | Cada carril

-30

dBm

Tasa de extinción

Sala de emergencias

3.5

dB

Ancho espectral | 20 dB

1

Nuevo Méjico

Reflectancia del transmisor

-12

dB

Tolerancia a la pérdida de retorno óptico

20

dB

Nota:

  1. Incluso si el TDP < 1 dB, el OMA min debe superar el valor mínimo especificado aquí.
  2. Relación de aciertos de 5e-5, según IEEE.

Especificación óptica del receptor

Parámetro

Símbolo

Mínimo

Típico

Máximo

Unidades

Notas

Velocidad de la señal por carril

25,78125±100 ppm

Gbps

Longitud de onda del carril

L0

1295

1310

1325

Nuevo Méjico

L1

1295

1310

1325

Nuevo Méjico

L2

1295

1310

1325

Nuevo Méjico

L3

1295

1310

1325

Nuevo Méjico

Umbral de daño | Cada carril

THd

3.0

dBm

1

Potencia de recepción promedio | Cada carril

-12.66

2.0

dBm

Reflectancia del receptor

-26

dB

Sensibilidad OMA|Cada carril[1]

Sen

-12.5

dBm

2

Sensibilidad del receptor estresado

(OMA), cada carril

-8.8

dBm

LOS Assert

LOSA

-15.5

LOS Deassert

LOSD

-13.5

Histéresis LOS

PERDIDA

0.5 3

Penalización por cierre vertical de ojos

VECP

1.9

dB

3

Ojo estresado J2 Jitter

J2

0,27

Interfaz de usuario

Ojo estresado J4 Jitter

J4

0,39

Interfaz de usuario

Nota:

1. El receptor deberá ser capaz de tolerar, sin sufrir daños, la exposición continua a una señal de entrada óptica modulada con este nivel de potencia en un carril. No es necesario que el receptor funcione correctamente con esta potencia de entrada.

2. Medido con señal de prueba de conformidad en la entrada del receptor para BER = 5e-5 BER.

3. La penalización por cierre vertical del ojo y la fluctuación del ojo bajo tensión son condiciones de prueba para medir la sensibilidad del receptor bajo tensión. No son características del receptor.

Diagnóstico digital

Interfaz de monitoreo

Parámetro

Símbolo

Especulación

Unidades

Estado/Notas

Temperatura

Te

+/-3

°C

Voltaje

VCC

+/-5%

V

IBias

INCLINACIÓN

+/-10%

mamá

Potencia Rx

Rx-pwr

+/-2

dBm

Potencia de transmisión

Potencia del transmisor

+/-2

dBm

Mapa de memes

100G QSFP28 10km PSM4 Transceivers

Asignación de PIN

100G QSFP28 10km PSM4 Transceivers

ModSelL

El ModSelL es un pin de entrada. Cuando el host lo mantiene en estado bajo, el módulo responde a comandos de comunicación serie de 2 hilos. El ModSelL permite el uso de múltiples módulos QSFP en un único bus de interfaz de 2 hilos. Cuando el ModSelL está en estado "Alto", el módulo no responderá ni reconocerá ninguna comunicación de interfaz de 2 hilos del host. El nodo de entrada de la señal ModSelL debe estar polarizado en estado "Alto" en el módulo. Para evitar conflictos, el sistema host no intentará comunicaciones de interfaz de 2 hilos durante el tiempo de deselección de ModSelL después de deseleccionar cualquier módulo QSFP. De igual forma, el host debe esperar al menos el tiempo de aserción de ModSelL antes de comunicarse con el módulo recién seleccionado. Los períodos de aserción y deselección de diferentes módulos pueden solaparse siempre que se cumplan los requisitos de temporización mencionados anteriormente.

RestablecerL

El pin ResetL debe estar conectado a Vcc en el módulo QSFP. Un nivel bajo en el pin ResetL durante más tiempo que la duración mínima del pulso (t_Reset_init) inicia un reinicio completo del módulo, restableciendo todos los ajustes del módulo de usuario a su estado predeterminado. El tiempo de confirmación de reinicio del módulo (t_init) comienza en el flanco ascendente tras liberarse el nivel bajo en el pin ResetL. Durante la ejecución de un reinicio (t_init), el host ignorará todos los bits de estado hasta que el módulo indique la finalización de la interrupción de reinicio. El módulo lo indica enviando una señal IntL con el bit Data_Not_Ready negado. Tenga en cuenta que al encenderse (incluida la inserción en caliente), el módulo debe indicar la finalización de la interrupción de reinicio sin necesidad de reiniciar.

ModPrsL

ModPrsL se conecta a Vcc_Host en la placa host y a tierra en el módulo. ModPrsL se activa en "Bajo" al insertarse y se desactiva en "Alto" cuando el módulo está físicamente ausente del conector host.

Internacional

IntL es un pin de salida. Cuando está en "Bajo", indica un posible fallo operativo del módulo o un estado crítico para el sistema host. El host identifica el origen de la interrupción mediante la interfaz serie de 2 hilos. El pin IntL es una salida de colector abierto y debe conectarse a la tensión de alimentación del host en la placa.

Modo LP

El pin LPMode debe estar conectado a Vcc en el módulo QSFP. Esta función se ve afectada por el pin LPMode y la combinación de los bits de control de software Power_over-ride y Power_set (dirección A0h, byte 93, bits 0,1). El módulo tiene dos modos: bajo consumo y alto consumo. El modo alto consumo opera en una de las cuatro clases de potencia. Cuando el módulo está en modo bajo consumo, su consumo máximo es de 1,5 W. Esto protege a los hosts que no pueden refrigerar módulos de mayor consumo, en caso de que estos se inserten accidentalmente.


La interfaz serial de 2 hilos del módulo y todas las funciones de seguridad láser deben estar completamente operativas en este modo de bajo consumo. El módulo debe seguir permitiendo la interrupción de reinicio en este modo de bajo consumo. Si los bits del Identificador Extendido (página 00h, byte 129, bits 6-7) indican un consumo de energía superior a 1,5 W y el módulo está en modo de bajo consumo, debe reducirlo a menos de 1,5 W manteniendo la funcionalidad anterior. No se especifica el método exacto para lograr el bajo consumo; sin embargo, es probable que el Tx, el Rx o ambos no estén operativos en este estado. Si los bits del Identificador Extendido (página 00h, byte 129, bits 6-7) indican que su consumo de energía es inferior a 1,5 W, el módulo será completamente funcional, independientemente de si está en modo de bajo o alto consumo.

El módulo debe estar en modo de bajo consumo si el pin LPMode está en estado alto, o si el bit Power_over-ride está en estado alto y el bit Power_set también está alto. El módulo debe estar en modo de alto consumo si el pin LPMode está en estado bajo, o si el bit Power_over-ride está en estado alto y el bit Power_set está en estado bajo. Tenga en cuenta que el estado predeterminado del bit Power_over-ride es bajo.

Interfaz eléctrica

100G QSFP28 10km PSM4 Transceivers

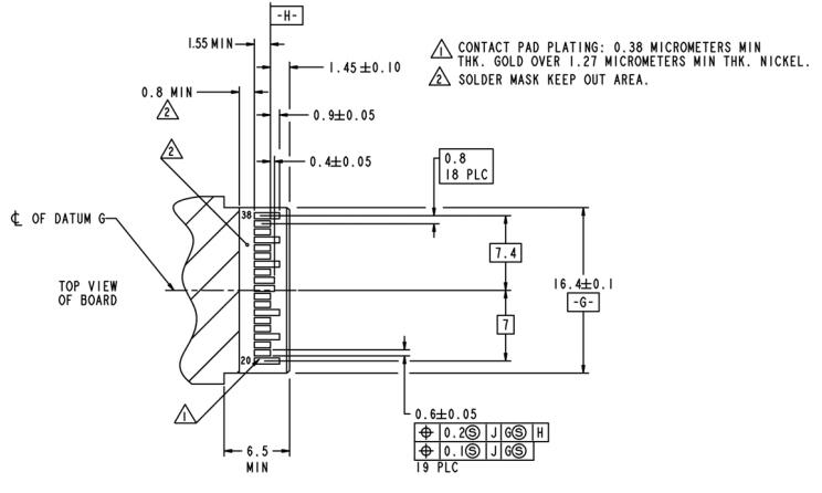
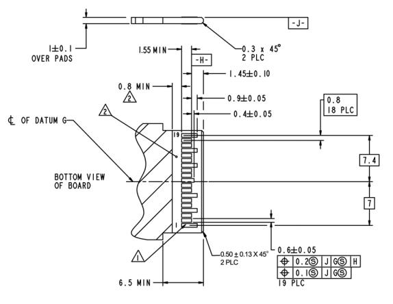
Diseño de PCB recomendado

100G QSFP28 optical module 100G QSFP28 optical module

Dimensiones mecánicas

100G QSFP28 optical module

Notas:

1、Tolerancia: +/-0,1 mm.

2、Otros según SFF-8661 o especificaciones del cliente.

3、Puerto óptico según la especificación del conector de fibra.

Advertencias

Precauciones de manipulación:

Este dispositivo es susceptible a sufrir daños por descargas electrostáticas (ESD). Se recomienda encarecidamente un entorno libre de estática. Siga las instrucciones de los procedimientos ESD adecuados.

Seguridad del láser:

La radiación emitida por dispositivos láser puede ser peligrosa para la vista. Evite la exposición ocular a la radiación directa o indirecta.

Aviso:

La información proporcionada en esta página contiene las especificaciones del producto, que están sujetas a cambios sin previo aviso.

Consulte con su oficina de ventas de Litecore para obtener actualizaciones de productos, cambios en las especificaciones, disponibilidad de muestras y fechas de lanzamiento de producción.

¿Quieres saber sobre este producto?

ENVIAR UN Mensaje
dejar un mensaje

Si Usted está interesado en nuestros productos y desea saber más detalles, deje un mensaje aquí, le responderemos tan pronto como nosotros ... puedamos.

Productos relacionados
100G QSFP SR4 Transceptor óptico 100G QSFP28 SR4 100m 850nm MPO
Transceptor óptico 100G QSFP28 SR4 100m 850nm MPO, admite transmisión de 100 Gb/s y hasta 100 m en fibra MM, funciona en soluciones de conexión IDC de alta velocidad, etc. Características Cumple con la norma IEEE 802.3bm Cumple con SFF-8665 Tasa de datos de transmisión de hasta 25 .78125GbpsTasa de datos por canal Tecnología VCSEL de 850 nm de alta confiabilidad conectable en caliente eléctricamente Fuente de alimentación única de +3,3 V Rango de temperatura de la carcasa: 0 ~ +70 ℃ Consumo máximo de energía 2 .5W Conector único MPO12 queja RoHS
100G QSFP28 CWDM4 Transceptor óptico 100G QSFP28 CWDM4 LC de 10 km
Módulo transceptor óptico 100G QSFP28 CWDM4, admite 100 Gb/s y transmisión de hasta 10 km en fibra monomodo, funciona en soluciones de conexión IDC de alta velocidad, etc.
100G QSFP28 LR4 100G QSFP28 LR4 1310nm 10km LC Transceptor óptico
Módulo transceptor óptico 100G QSFP28 LR4, compatible con 100Gb/s y transmisión de hasta 10 km en fibra SM, funciona en soluciones de conexión IDC de alta velocidad, etc. Características Diseño MUX/DEMUX de 4 carriles LAN integrada WDM TOSA/ROSA para un alcance de hasta 10 km sobre SMF Admite 100GBASE-ER4 para una velocidad de línea de 103,125 Gbps y OTU4 para una velocidad de línea de 111,81 Gbps Ancho de banda agregado de >100 Gbps Conectores LC dúplex Cumple con el estándar IEEE 802.3-2012 Cláusula 88 Estándar eléctrico IEEE 802.3bm CAUI-4 de chip a módulo Estándar ITU-T G.959.1-2012-02· Funcionamiento con fuente de alimentación única de +3,3 V Funciones de diagnóstico digital incorporadas Rango de temperatura 0°C a 70°C Parte compatible con RoHS Admite FEC (Corrección de errores hacia adelante)
100G QSFP28 ER4 Transceptor óptico 100G QSFP28 ER4 40Km 1310nm LC
Módulo transceptor óptico 100G QSFP28 ER4, admite transmisión de 100 Gb/s y hasta 40 km en fibra SM, funciona en soluciones de conexión IDC de alta velocidad, etc. Características: Diseño MUX/DEMUX de 4 carriles Admite 100GBASE-ER4 para una velocidad de línea de 103,125 Gbps. LAN integrada WDM TOSA / ROSA para un alcance de hasta 40 km sobre SMF. Ancho de banda agregado de >100 Gbps Conectores LC dúplex Cumple con el estándar IEEE 802.3-2012 Cláusula 88 IEEE 802.3bm CAUI-4 estándar eléctrico de chip a módulo ITU-T G.959.1-2012-02 estándar· Funcionamiento con fuente de alimentación única de +3,3 V Funciones de diagnóstico digital incorporadas Rango de temperatura 0°C a 70°C Parte compatible con RoHS Admite FEC (Corrección de errores hacia adelante)
100G QSFP28 ZR4 100Gb QSFP28 ZR4 80Km 1310nm LC Transceptor óptico
Módulo transceptor óptico 100G QSFP28 ZR4, admite transmisión de 100 Gb/s y hasta 80 km en fibra SM, funciona en soluciones de conexión IDC de alta velocidad, etc. Características Diseño MUX/DEMUX de 4 carriles Admite 100GBASE-ZR4 para una velocidad de línea de 103,125 Gbps y OTU4 para una velocidad de línea de 111,81 GbpsLANWDM EML láser y receptor PIN con SOA Ancho de banda agregado de >100 Gbps Conectores LC dúplex Cumple con el estándar IEEE 802.3-2012 Cláusula 88 IEEE 802.3bm CAUI-4 estándar eléctrico de chip a módulo ITU-T G.959.1-2012-02 estándar· Funcionamiento con fuente de alimentación única de +3,3 V Funciones de diagnóstico digital incorporadas Rango de temperatura 0°C a 70°C Parte compatible con RoHS Admite FEC (Corrección de errores hacia adelante)
100G LR1 10km SFP-DD Transceptor óptico SFP-DD 100G LR1 de 10 km
El transceptor óptico 100G LR1 SFP56-DD está diseñado para su uso en enlaces Ethernet de 100 Gigabits de hasta 10 km sobre fibra monomodo (SMF). Es compatible con SFP56-DD MSA, IEEE802.3CU, 100G Lambda 100G LR1 y 100GAUI-2 (sin FEC)¹. Las funciones de diagnóstico digital están disponibles a través de la interfaz I²C, según lo especificado por SFP56-DD MSA. El módulo incorpora una señal óptica de un canal con una longitud de onda central de 1311 nm y opera a una velocidad de datos de 100 Gbps. Este módulo puede convertir dos canales de datos de entrada eléctrica de 53 Gbps (PAM4) en un canal de señal óptica de 106 Gbps (PAM4), y también puede convertir un canal de señal óptica de 106 Gbps (PAM4) en dos canales de datos de salida eléctrica de 53 Gbps (PAM). La interfaz óptica utiliza un conector LC dúplex. El transmisor EML refrigerado de alto rendimiento y el receptor PIN de alta sensibilidad ofrecen un rendimiento superior para aplicaciones Ethernet de 100 Gigabits con enlaces de hasta 10 km.
100G QSFP28 DWDM Transceptor PAM4 con conector dual CS DWDM QSFP28 de 100G
El módulo transceptor óptico 100G QSFP28 DWDM, admite un sistema DWDM de 48*100 gb/s y una transmisión de hasta 80 km en fibra SM, funciona en soluciones de conexión IDC de alta velocidad.
100G QSFP28 Bidi optical transceiver 100GBASE-SR bidireccional QSFP28 850/900nm 100m DOM LC MMF módulo transceptor óptico
El módulo transceptor óptico BIDI QSFP28 de 100 G es un transceptor óptico enchufable con una interfaz de conector LC dúplex para comunicaciones de datos de corto alcance y aplicaciones de interconexión mediante fibra multimodo (MMF). que ofrece a los clientes una solución convincente que permite la reutilización de sus 10 Infraestructura MMF dúplex de gb para migración a conectividad ethernet de 100 gigabits.
dejar un mensaje
dejar un mensaje
Si Usted está interesado en nuestros productos y desea saber más detalles, deje un mensaje aquí, le responderemos tan pronto como nosotros ... puedamos.

Hogar

Productos

Acerca de

contacto